跳至主要內容
天勤國際
搜尋關鍵字:
搜尋
搜尋
關於天勤
最新消息
產品一覽
選單切換按鈕
3D 相機
選單切換按鈕
光場相機
彩色共焦感測器
結構光相機
白光干涉儀
雷射輪廓儀
2D 相機
選單切換按鈕
面掃描相機
線掃描相機
智慧型相機
高速相機
鏡頭
選單切換按鈕
CCTV 鏡頭
IR 鏡頭
VR 鏡頭
微距鏡頭
線掃描鏡頭
遠心鏡頭
3D 斜像鏡頭
光源
選單切換按鈕
線掃描光源
面掃描光源
光纖光源
光控器
軟體
選單切換按鈕
AOI 軟體
AI 軟體
手臂控制軟體
運動控制軟體
運動控制
選單切換按鈕
運動控制器
運動控制卡
視覺運動軸控主機
擴充模組
人機介面
機械手臂
選單切換按鈕
協作型機械手臂
立體安全感測器
其他
選單切換按鈕
雷射對刀儀
位移分析儀
柔性震動盤
技術專區
聯絡我們
Main Menu
首頁
/
3D 相機
/
雷射輪廓測量儀
/
Teledyne DALSA
/
Z-Trak LP2C 系列
/
LP2C-4K-0100-3R
LP2C-4K-0100-3R
詳細規格
水平像素
4096 px
水平解析度
23 - 44 μm
最高掃描速率
5 KHz
垂直量測範圍
100 mm
垂直重複精度
1.5 - 2 μm
垂直線性度
±0.02% FS
近端視野範圍
90.3 mm
遠端視野範圍
173 mm
共同規格
供電方式
DC / PoE 12-36 V
功率
W
傳輸介面
1 / 2.5 / 5 GigE
防護等級
IP67
合格認證
FCC Class B / CE / ICE
ROHS / China RoHS
工作環境溫度
10 - 50 ℃
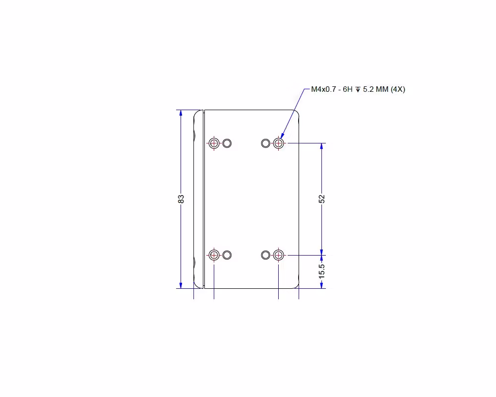
尺寸
116 x 49 x 83 mm
重量
kg
機構圖
其他型號
LP2C-4K-0650-3R
水平像素
4096
px
水平解析度
150 - 291
μm
基準距離
mm
基準視野範圍
mm
LP2C-4K-0400-3B
水平像素
4096
px
水平解析度
96 - 158
μm
基準距離
mm
基準視野範圍
mm
S2K-0300-R3
水平像素
2048
px
水平解析度
118 - 261
μm
基準距離
mm
基準視野範圍
mm
關於天勤
最新消息
產品一覽
選單切換按鈕
3D 相機
選單切換按鈕
光場相機
彩色共焦感測器
結構光相機
白光干涉儀
雷射輪廓儀
2D 相機
選單切換按鈕
面掃描相機
線掃描相機
智慧型相機
高速相機
鏡頭
選單切換按鈕
CCTV 鏡頭
IR 鏡頭
VR 鏡頭
微距鏡頭
線掃描鏡頭
遠心鏡頭
3D 斜像鏡頭
光源
選單切換按鈕
線掃描光源
面掃描光源
光纖光源
光控器
軟體
選單切換按鈕
AOI 軟體
AI 軟體
手臂控制軟體
運動控制軟體
運動控制
選單切換按鈕
運動控制器
運動控制卡
視覺運動軸控主機
擴充模組
人機介面
機械手臂
選單切換按鈕
協作型機械手臂
立體安全感測器
其他
選單切換按鈕
雷射對刀儀
位移分析儀
柔性震動盤
技術專區
返回頂端